Perno de cabeza redonda no estándar
Producto: Perno de cabeza redonda no estándar
Clase de propiedad: 4.6,4.8,5.6,5.8,8.8,10.9,12.9,
A2-70, A4-70,A4-80
Acabado: Galvanizado (zinc amarillo, azul zinc, color de enjuague), negro, fosfato y aceite, fosfato de zinc, galvanizado en caliente (HDG), Dacromet, Geomet
Material: acero
País de exportación: EE. UU., Japón, Australia, Europa, etc.
Personalización del cliente de soporte
Los pernos de cabeza redonda estadounidenses no estándar son pernos de cabeza redonda estadounidenses que no se fabrican de acuerdo con los estándares y especificaciones industriales unificados promulgados por el país. El diámetro, el material y otros parámetros de los pernos de cabeza redonda americanos no estándar se pueden personalizar de acuerdo con los escenarios de aplicación reales para satisfacer diversas necesidades especiales. El diseño de cabeza redonda hace que los pernos de cabeza redonda americanos no estándar sean más cómodos y rápidos de instalar, lo que reduce los requisitos de espacio de trabajo. Dado que se pueden seleccionar materiales más resistentes y diseños estructurales más científicos según sea necesario, los pernos de cabeza redonda estadounidenses no estándar suelen tener mayor resistencia y durabilidad.
Fotos
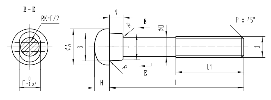
Dibujo del producto
Especificaciones del producto
Tamaño |
∮A |
B |
C |
F |
h |
norte |
L1 |
l |
PAG |
∮D mín. |
3/8-16UNC |
19,05+-0,52 |
14,08+-0,79 |
13,88+0,79 |
9.53 |
5,94+-0,36 |
5.05 |
30 |
55 |
1.5 |
8.35 |
35 |
60 |
|||||||||
1/2-13UNC |
22,50+-0,52 |
16,88+-0,79 |
16,08+-0,79 |
12.7 |
7,94+-0,36 |
7,94 |
40 |
70 |
1.5 |
11.26 |
45 |
75 |
|||||||||
Personalización del cliente de soporte |
||||||||||
Alguna introducción sobre nuestra empresa.
Solicitud
Nuestros productos son ampliamente utilizados en mecánica, electricidad, automoción, construcción de edificios, ferrocarriles, puentes, barcos de vapor, sistemas de comunicación y protección contra incendios, etc.
Taller
Certificación
A través de una gestión científica, Jinan Star Fastener Co., Ltd. obtuvo la versión 2015 de la certificación del sistema de gestión de calidad ISO9001. En 2017, el laboratorio obtuvo la certificación nacional CNAS. En 2018, la empresa obtuvo la certificación europea CE.
Equipo de pruebas
Nuestra empresa cuenta con un laboratorio especializado con durómetros digitales, microscopios, máquinas de prueba universales, medidores de fuerza axial, dispositivos de detección de fragilidad por hidrógeno, detectores de fallas de partículas magnéticas, analizadores metalográficos, analizadores de carbono y azufre y máquinas de prueba de niebla salina, etc. se utiliza para realizar pruebas exhaustivas de la composición química de las materias primas, la dureza del producto, las propiedades mecánicas, el espesor del recubrimiento y la resistencia a la corrosión para garantizar que todos los productos cumplan con los requisitos estándar y satisfagan a los clientes.
Equipo de producción
Nuestra empresa cuenta con más de 300 equipos de producción. El proceso de producción del producto incluye: recocido, granallado, estampación en frío, laminado de roscas, tratamiento térmico, galvanizado, pruebas de productos terminados, embalaje, etc., todos se completan en la empresa.
Embalaje
Servicio
1. Política de devolución y cambio: proporcione una política completa de devolución y cambio para garantizar que los derechos e intereses de los clientes estén protegidos en el proceso de compra y uso de pernos de cabeza redonda estadounidenses no estándar.
2. Consulta posventa: brinde a los clientes servicios de respuesta y consulta posventa sobre pernos de cabeza redonda no estándar fabricados en Estados Unidos y ayude a los clientes a resolver los problemas encontrados en el uso de pernos de cabeza redonda no estándar fabricados en Estados Unidos.
3. Mantenimiento: proporcione sugerencias y orientación sobre el mantenimiento de los pernos de cabeza redonda no estándar fabricados en Estados Unidos para extender la vida útil y el rendimiento de los pernos de cabeza redonda no estándar fabricados en Estados Unidos.
4. Embalaje personalizado: Brindar servicios de embalaje personalizados de acuerdo con las necesidades del cliente para mejorar la calidad de la apariencia y la imagen de marca de productos de pernos de cabeza redonda estadounidenses no estándar.
5. Logística y distribución: Brindar servicios de logística y distribución rápidos y seguros para garantizar que los productos de pernos de cabeza redonda estadounidenses no estándar puedan entregarse a los clientes a tiempo.
6. Gestión de relaciones con los clientes: establezca un sistema completo de gestión de relaciones con los clientes, comuníquese con los clientes con regularidad, comprenda las necesidades y los comentarios de los clientes y mejore continuamente la calidad de los productos y servicios.
Preguntas más frecuentes
1. ¿Puedo personalizar pernos de cabeza redonda americanos no estándar con especificaciones específicas?
Admitimos la personalización de pernos de cabeza redonda americanos no estándar con especificaciones específicas. Proporcione el tamaño, el material, el tratamiento de la superficie y otros requisitos detallados, y lo produciremos de acuerdo con sus necesidades.
2. ¿Cuánto tiempo lleva entregar productos personalizados?
El tiempo de entrega depende del volumen de su pedido, la complejidad del producto y el cronograma de producción. Organizaremos la producción lo antes posible de acuerdo con sus necesidades y le brindaremos un tiempo de entrega claro para garantizar que obtenga a tiempo los pernos de cabeza redonda americanos no estándar que necesita.
3. ¿Qué medidas de inspección de calidad tiene implementadas?
Contamos con un completo sistema de inspección de calidad, que incluye medición dimensional, análisis de materiales, pruebas de tracción, etc. Cada producto se someterá a una estricta inspección de calidad para garantizar el cumplimiento de las normas pertinentes y los requisitos del cliente.













